Configureer je product

Lengte 100 cm
Oppervlaktestructuur Classic | Standaard
info

Kleuren en oppervlaktestructuren

Voor de openbare markt of de projectmarkt is een uitgebreid gamma aan voorraadproducten beschikbaar. Voor bestrating op maat (structuur of kleur) is er een minimale bestelhoeveelheid van +/- 100m². Voor hoeveelheden kleiner dan 500m² worden beperkte instelkosten aangerekend. Voor lijnvormige elementen is maatwerk mogelijk vanaf 50 à 100 meter. Maatwerk in gietbeton produceren we al vanaf één stuk. Onze Ebema_CustomConcrete betonexperts denken graag met je mee!

Interesse in een product op maat? Contacteer dan zeker ons verkoopteam via +32 89 61 00 62

Technische eigenschappen

Downloads

Configureer eerst je product.
Technische fiche | Bestektekst PDF-weergave Technische tekening DOP (Declaration of performance)

Productinformatie

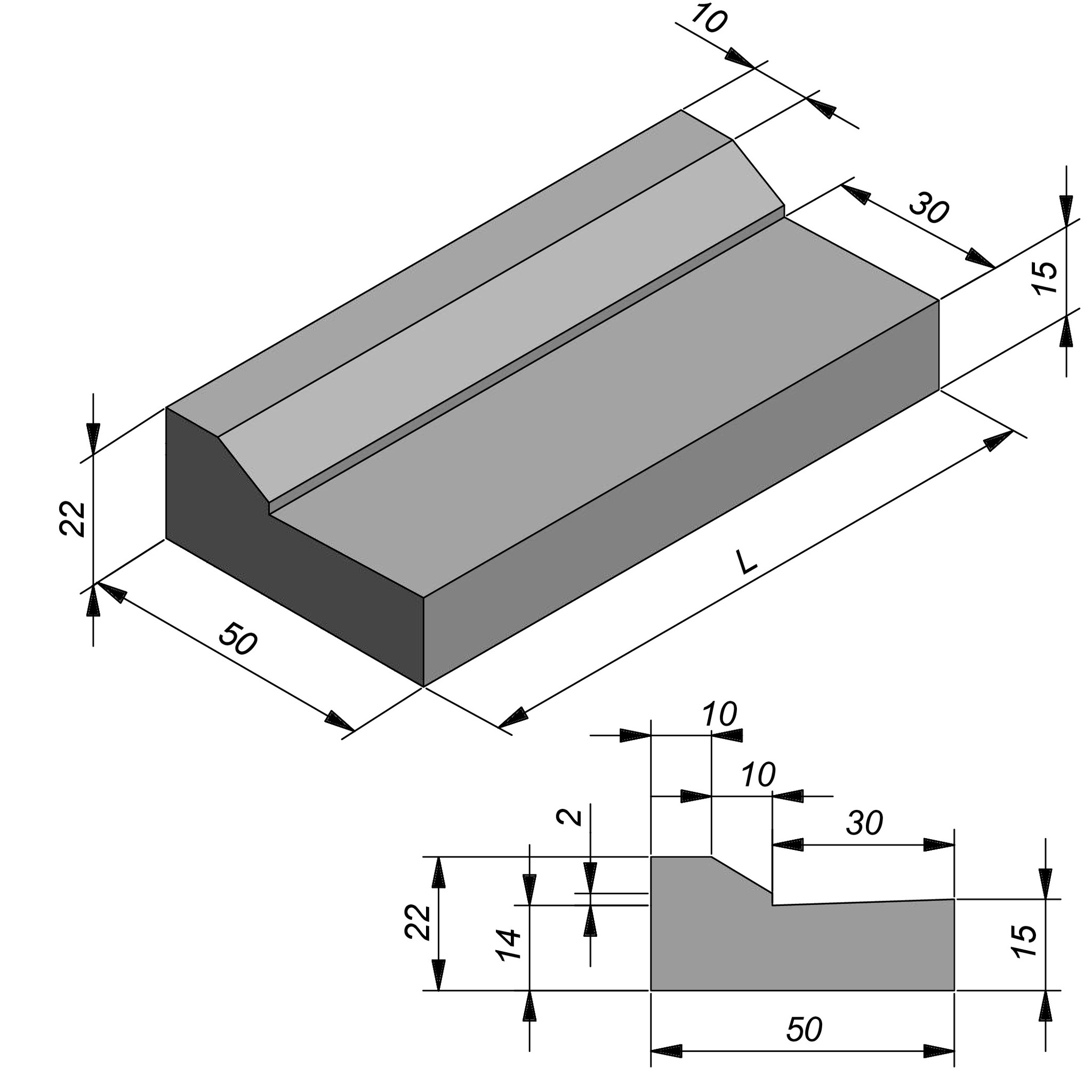
De watergreppel met opsprong is boordsteen én greppel in één oplossing. Met dit type van greppels heb je geen aparte kantstenen nodig. Verschillende lengtes zijn beschikbaar.

  • Aandacht voor een veranderende (verkeers)situatie

    Aandacht voor een veranderende (verkeers)situatie

    Het (uitgesproken) reliëf op de bovenzijde van dit product maakt een roffelend geluid als erover gereden wordt. Een extra veiligheidsmaatregel.

  • Afstandvlakken - Splintervrij

    Afstandvlakken - Splintervrij

    Afstandsvlakken en splintervrije koppen voorkomen beschadigingen aan de zijkant van de bestrating.

  • Afwerking met gras mogelijk

    Afwerking met gras mogelijk

    Wil je een groen effect creëren en tegelijk het comfort behouden van een goed berijdbare verharding? Vul dan de voegen van deze waterpasserende bestrating met aarde en laat ze begroeien met gras.

  • Afwerking met natuursteenslag mogelijk

    Afwerking met natuursteenslag mogelijk

    Vul je de voegen van deze waterpasserende bestrating op met natuursteenslag of 'steentjes'? Dan creëer je de best mogelijke waterdoorlatendheid.

  • Voorzien van een symbool

    Voorzien van een symbool

    Een ruim basisassortiment aan tegels mét opvallend en herkenbaar symbool in (wit) pvc. Splintervrije kop. Kies uit letters, cijfers, symbolen voor fietsers, voetgangers, parkeerplekken, voorbehouden plekken voor mindervaliden, gezinnen en elektrische voertuigen … Symbolen op maat zijn mogelijk.

  • Beperkt zwaar verkeer

    Beperkt zwaar verkeer

    Dit product kan toegepast worden in verkeerstomstandigheden met beperkt zwaar verkeer.

  • Geschikt als afboording

    Geschikt als afboording

    Te gebruiken als scheidingselement of als afboording tussen de verharding en het groen of een andere type bestrating. De banden, boordstenen en palissades gebruik je ook om er voor te zorgen dat een bestrating goed ingesloten wordt en mettertijd niet 'beweegt'.

  • Officieel keuringsattest

    Officieel keuringsattest

    Dit product heeft een Benor-keurmerk, een KOMO-keurmerk of de CE-markering. Of een combinatie van deze certificaten.

  • Frequenter licht verkeer

    Frequenter licht verkeer

    Verharding voor licht verkeer zoals personenwagens. De ideale keuze voor inritten en parkeerplaatsen.

  • Occasioneel licht verkeer

    Occasioneel licht verkeer

    Verharding voor occasioneel licht verkeer zoals personenwagens.

  • Toegankelijk

    Toegankelijk

    Deze verharding kan je plaatsen zonder voegen. Het resultaat? De oppervlakte is optimaal begaanbaar. Wanneer toegepast als inrit, voetpad of terras is is deze verharding uitermate geschikt voor rolstoelgebruikers en fietsers.

  • Strakke toplaag

    Strakke toplaag

    Egale strakke look voor een tijdloze afwerking. Deze afwerking is duurzaam, maatvast,
    voorzien van een mooi gesloten deklaag.

  • Toplaag in kleurvaste natuursteengranulaten

    Toplaag in kleurvaste natuursteengranulaten

    Een toplaag in natuursteengranulaten. Dankzij een proces van waterstralen – ook weleens 'wassen' genoemd – krijgt deze verharding zijn gekorrelde uitzicht met rijke kleurschakeringen.

  • Kleurondersteuning

    Kleurondersteuning

    De kleur van het product wordt tot gegarandeerd door het gebruik van kleurvaste grondstoffen in de toplaag.

  • Langdurige kleurintensiteit

    Langdurige kleurintensiteit

    Producten met deze kleur en afwerking behouden dankzij de extra impregnering langer hun kleurintensiteit. Impregneren betekent het doordringen van een materiaal met een andere stof. Het is een techniek om een materiaal waterafstotend, waterbestendig, schimmelwerend, graffitiwerend of meer van deze gewenste eigenschappen te geven. Deze behandeling dringt door de bovenste lagen en houdt dieper de kleuren vast.

  • Niveauverschillen

    Niveauverschillen

    Uiterst geschikt om een hoogteverschil weg te werken.

  • Ecologisch

    Ecologisch

    Product dat door zijn specifieke kenmerken ecologisch genoemd kan worden. Bijvoorbeeld een betere infiltratie van regenwater door de doorlatendheid of beter voor het milieu vanwege de onkruidwerende werking.

  • Onderhoudsvriendelijk

    Onderhoudsvriendelijk

    Betonproduct met een zeer egaal en zacht oppervlak. Hierdoor is het onderhoudsvriendelijk. Je kunt het borstelen of in het geval van Smooth producten dweilen met een vochtige doek.

  • Geborstelde afwerking

    Geborstelde afwerking

    Na de productie wordt het beton intensief geborsteld. Hierdoor krijgt het eindproduct een semiruwe bovenlaag.

  • Fluweelzachte toplaag

    Fluweelzachte toplaag

    Gegoten zelfverdichtend architectonisch beton voor een fluweelzachte look. Subtiele schakeringen kleuren het verouderingsproces.

  • Frequenter zwaar verkeer

    Frequenter zwaar verkeer

    Dit product kan toegepast worden in verkeersomstandigheden met zwaar verkeer.

  • Geluidsreducerend

    Geluidsreducerend

    De manier van plaatsing, het formaat en de speciale deklaag van deze betonstraatsteen zorgt voor minder geluidsoverlast van passerend autoverkeer. De open structuur van de deklaag absorbeert in feite het rolgeluid.

  • Geschikt als vrijstaande muur of grondkering

    Geschikt als vrijstaande muur of grondkering

    Je kunt deze elementen gebruiken als vrijstaande muur of als grondkering. Er is dan wel een beperking in de hoogte. Lees daarom aandachtig de plaatsingsvoorschriften om de maximale hoogte van jouw product te kennen. Gebruik je een L-element als grondkering? Dan heb je geen beperking in de hoogte.

  • Verwerking in het wegdek mogelijk

    Verwerking in het wegdek mogelijk

    Elementen zijn voorzien om, wanneer gewenst, deze producten in het wegdek te verwerken door verankering of verlijming.

  • Licht verkeer & occasioneel zwaar verkeer

    Licht verkeer & occasioneel zwaar verkeer

    Dit product kan toegepast worden in verkeersomstandigheden met frequent licht verkeer en occasioneel zwaar verkeer.

  • Machinale plaatsing mogelijk

    Machinale plaatsing mogelijk

    Dit product kan door zijn vorm en/of formaat machinaal geplaatst worden. Het plaatsen met behulp van een mechanische klem of een vacuümklem vergroot het gebruiksgemak en versnelt de plaatsing.

  • Ondersteuning voor blinden en slechtzienden

    Ondersteuning voor blinden en slechtzienden

    Deze tactiele bestrating informeert door het specifieke reliëf van het bovenvlak personen met een visuele beperking. Aan de hand van structuren op de oppervlakte worden richting en gevaar aangegeven.

  • Onkruidwerend

    Onkruidwerend

    De aangepaste voegen zorgen samen met een onkruidwerende voegvulling voor een onkruidwerende bestrating.

  • Voorzien van uitsparing voor LED

    Voorzien van uitsparing voor LED

    Een uitsparing is voorzien voor de LED verlichting (zichtbaar) en het LED-mechanisme (niet-zichtbaar).

  • Waterbufferend & Waterinfiltrerend vermogen

    Waterbufferend & Waterinfiltrerend vermogen

    Waterafvoer via de voegen van de bestrating: De open voegen in de bestrating zorgen voor een tijdelijke buffering van het overtollige water. Daarna kan het water in de ondergrond infiltreren. Kies voor een afwerking met steenslag, kiezel of grind (meer waterdoorlatend) of gras (meer groen). Voor een waterdoorlatend effect zorg je voor een waterinfiltrerende ondergrond.

    Waterafvoer via poreuze deklaag en onderlaag van de bestrating: Dankzij een open betonstructuur kan het water door de poriën van de steen sijpelen en via de waterdoorlatende fundering in de ondergrond wegvloeien.

  • Plaatsing op tegeldragers mogelijk

    Plaatsing op tegeldragers mogelijk

    De grootte, gelijkmatige vorm en sterkteklasse maken het mogelijk om dit product op tegeldragers te plaatsen.

  • Verschuifbeveiliging

    Verschuifbeveiliging

    De betonelementen haken stevig in elkaar door hun specifieke vorm en/of nokkenverbinding.
    Hier vormen ze een stabiel verband en schuiven de producten niet uit elkaar onder verkeersbelasting.

  • Tijdelijk vuil- en waterafstotend

    Tijdelijk vuil- en waterafstotend

    Deze producten zijn vuil- en waterafstotend. Het resultaat van een nabehandeling met een coating of een impregnering zoals onder andere bij de Intense-kleuren. Door het verouderingsproces vermindert dit effect. Dan bestaat de mogelijkheid om een nieuwe coating aan te brengen.

  • Veilige glijweerstand

    Veilige glijweerstand

    Deze bestrating biedt door de oppervlaktestructuur en afwerking weinig risico’s op glijpartijen. Zelfs bij vochtig weer.

  • Slijtvast

    Slijtvast

    Duurzaam product. Het is heel goed bestand tegen slijtage bij een normale belasting.

  • Vorstbestendig

    Vorstbestendig

    Vriestemperaturen hebben geen invloed op dit materiaal.

  • Voetgangerszones

    Voetgangerszones

    Verharding voor licht verkeer zoals fietsers en voetgangers. Uiterst geschikt voor terrassen en voetpaden.

Technische tekening

Op zoek naar een oplossing in beton op maat? Samen met jou vinden we de perfecte oplossing in prefab beton. Contacteer onze CustomConcrete maatwerkafdeling.